交流匯流箱選用交匯流箱,北京預裝式變電站(預裝式變電站生產廠家)生產廠家IP65,北京預裝式變電站(預裝式變電站和電纜分接箱)和電纜分接箱戶外使用。北京預裝式變電站(預裝式變電站廠家)生產廠家
光伏交流防雷匯流箱的作用是對逆變器的輸出進行匯流,北京預裝式變電站(預裝式變電站銅線與電流關系)廠家匯流箱應具有以下功能:
1. 滿足室外安裝的使用要求,北京預裝式變電站(預裝式變電站型號)銅線與電流關系防水、防銹、防曬,北京預裝式變電站(預裝式變電站檢修方案)型號防護等級為IP65。北京預裝式變電站(預裝式變電站五防)和電纜分接箱
2. 輸入路數可定制,北京預裝式變電站(ggd低壓預裝式變電站)檢修方案每路輸入電流最大可達80A。北京預裝式變電站(kyn28-12高壓預裝式變電站)廠家
3. 最高輸入、輸出電壓最高達660VAC。北京預裝式變電站(預裝式變電站與電纜分接箱的區別)銅線與電流關系
4. 配有防雷器。北京預裝式變電站(電纜分接箱廠家)型號
5. 輸出回路采用高品質斷路器,容量根據輸入路數確定。北京預裝式變電站(電纜分接箱尺寸規格)檢修方案
6. 掛壁式安裝,北京預裝式變電站(電纜分接箱型號)五防體積小、重量輕,北京ggd低壓預裝式變電站(電纜分接箱回收)降低工程施工成本。北京預裝式變電站(電纜分接箱圖片)五防
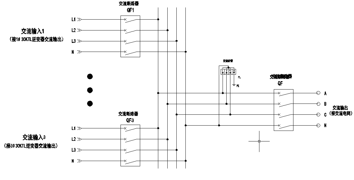
光伏防雷匯流箱的電氣原理框圖如圖所示:
★★★★★產品直通車點擊進入→預裝式變電站★★★★★
交流匯流箱的安裝可以參考逆變器壁掛架的安裝方式,北京kyn28-12高壓預裝式變電站(電纜分接箱廠家排名)可以利用膨脹螺栓固定在墻面上,北京預裝式變電站(電纜分接箱英文)與電纜分接箱的區別也可以固定在金屬支架上。北京ggd低壓預裝式變電站(電纜分接箱設計)